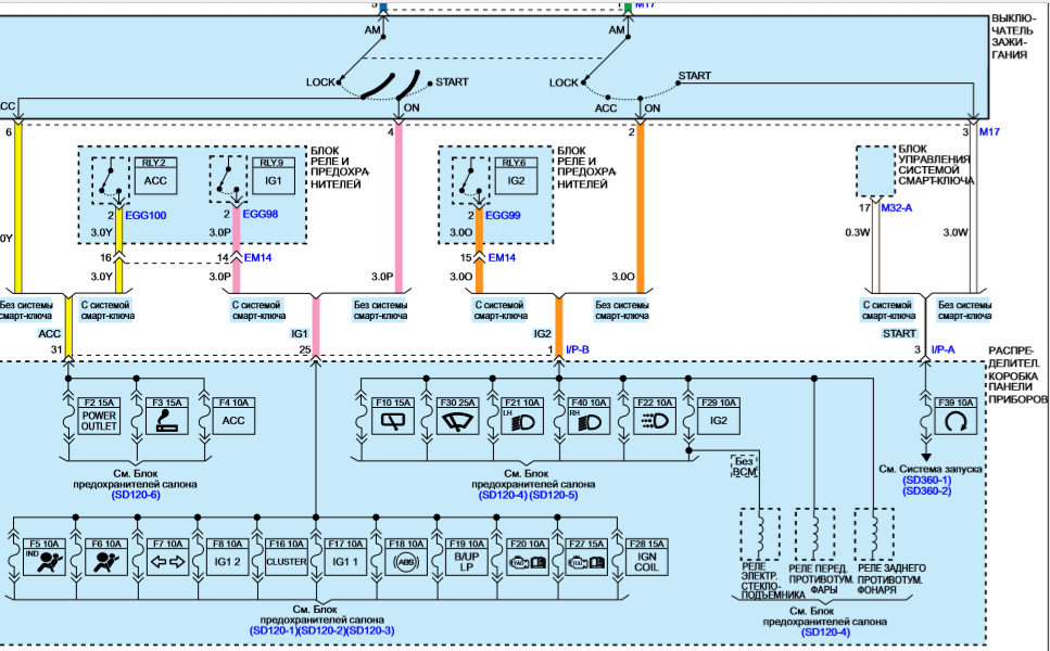
Сначала сразу подумал на сигнализацию, так как установлен Sherckan Magickar, а для него глючить - это норма. Быстро отключил линии питания сигнализации от штатных. Но не тут то было... Зажигание все равно включено.

В данном авто 2 линии зажигания после замка. На одной из них от куда-то появлялось напряжение... Загадка. Пришлось воспользоваться схемой



